Are you looking for a reliable manufacturer for your gas station pylon sign projects? Grandview Sign Factory is proud to showcase our recent work for global giants like Chevron and Shell.
A high-visibility gas station pylon sign is crucial for attracting traffic. As seen in the images below, we handle everything from the precise technical drawings to the assembly of high-brightness LED screens and price changers. Our factory ensures that every gas station pylon sign is built to withstand harsh weather while maintaining vibrant colors day and night.
Flagship Distribution
USA Large size pole Chevron pole pylon sign and Shell pole pylon sign
1. About Chevron and Shell
Chevron is one of the largest companies in the world and the second largest oil company based in the United States by revenue, only behind fellow Standard Oil descendant ExxonMobil.
Shell plc is a British-Dutch multinational oil and gas company headquartered in London, England.
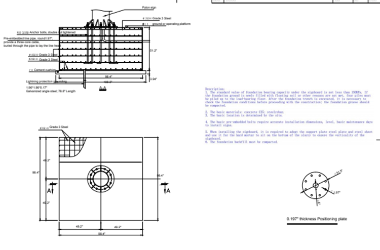
2. Sign project
a) The client’s needs
Big single pole pylon with 48inch gas price display.
Provide Professional Production Design/foundation design for city Application.
Provide installation design or guide for installation.
Have capacity to provide design according to client’s requirements.
Have capacity to manufacturer large dimension pole Pylon sign.
Can provide and manufacturer gas station all signs (Pylon sign, canopy sign, Gas pump island sign, gas price display, 3D channel letter sign for store shop building ect.)
Fast Production and delivery.
b) Specification
Product Name: 40×10.3FT single pole Chevron pylon sign
48inch gas price display with cash and credit automatic conversion function
8x8ft big size 3M flex banner lightbox with waterproof high brightness led lights inside;
c) Sign design for client


Production pictures:






Customer feedback:





